Prodotti Ferramenta
SERRATURE DA INFILARE E CILINDRI







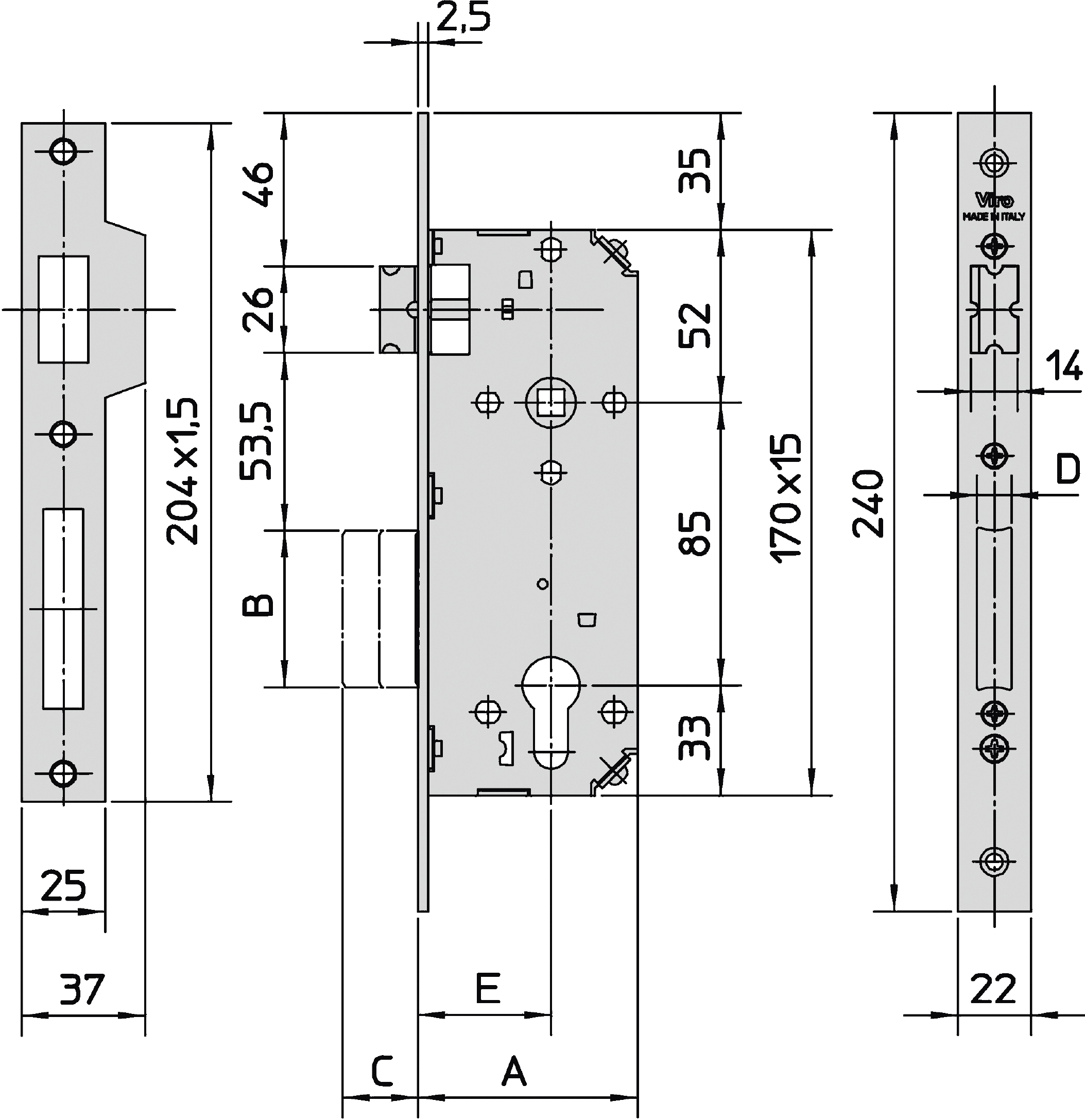
Versione acciaio - Finitura ottonata - Bordi quadri
Le serrature da infilare Viro sono compatibili con la maggior parte dei cilindri in commercio e sono le più utilizzate per la vasta gamma di entrate disponibili: da 20 a 70 mm.
- Cassa:
completamente chiusa in acciaio verniciato. Fori passanti a norma DIN per l'applicazione di rosette di sicurezza.
- Scrocco standard e catenaccio:
in ottone massiccio sia nelle versioni ottone che in quelle acciaio (eccetto il catenaccio per le entrate 20/25/30). Scrocco reversibile con una semplice operazione.
- Versione in ottone: con scrocco standard (per la massima sicurezza);
- Versione in acciaio: con scrocco standard o biconico (lo scrocco biconico si autocentra in funzione della contropiastra, rendendo più agevole il montaggio della serratura).
- Meccanismo:
- interasse 85 mm;
- quadro maniglia 8 mm;
- 2 mandate per le entrate da 35 a 70 mm;
- 1 mandata per le entrate da 20 a 35 mm (entrata 35 mm a 1 o 2 mandate).
- Piastra e contropiastra:
in acciaio (serie 7435) o in ottone (a richiesta). Piastra asportabile e sostituibile. Contropiastre a bordi quadri con aletta di protezione dello stipite.
- Fornite con:
viti di fissaggio per la serratura e vite di fissaggio per il cilindro.
- Confezione:
scatola individuale.
CLICCA SU QUESTO SIMBOLO NELLA RIGA DELL'ARTICOLO DI TUO INTERESSE PER IDENTIFICARE IL RIVENDITORE PIÙ VICINO A TE, CHE TRATTA QUESTO ARTICOLO
SCROCCO STANDARD
| Art. | Entrata | Larghezza della cassa | Dimensioni del catenaccio | Corsa delle mandate | Mandate | Peso unitario (senza cilindro) | |
|---|---|---|---|---|---|---|---|
N. | mm E | mm A | mm B x D | mm C | N. | g | |
7435.20.2.046 | 20 | 35 | 40 x 8,5 | 14 | 1 | 455 | |
7435.25.2.046 | 25 | 40 | 40 x 8,5 | 14 | 1 | 480 | |
7435.30.2.046 | 30 | 45 | 40 x 8,5 | 14 | 1 | 520 | |
7435.36.2.046 | 35 | 50 | 47 x 10 | 14 | 1 | 565 | |
7435.35.2.046 | 35 | 61 | 47 x 10 | 20 | 2 | 635 | |
7435.40.2.046 | 40 | 66 | 47 x 10 | 20 | 2 | 665 | |
7435.45.2.046 | 45 | 71 | 47 x 10 | 20 | 2 | 700 | |
7435.50.2.046 | 50 | 76 | 47 x 10 | 20 | 2 | 730 | |
7435.60.2.046 | 60 | 86 | 47 x 10 | 20 | 2 | 790 | |
7435.70.2.046 | 70 | 96 | 47 x 10 | 20 | 2 | 835 |
FINITURE A RICHIESTA - PIASTRA E CONTROPIASTRA IN:ACCIAIO NICHELATO (sostituire le ultime cifre del codice con .009)ACCIAIO INOX (sostituire le ultime cifre del codice con .057)
SCROCCO BICONICO
| Art. | Entrata | Larghezza della cassa | Dimensioni del catenaccio | Corsa delle mandate | Mandate | Peso unitario|(senza cilindro) | |
|---|---|---|---|---|---|---|---|
N. | mm E | mm A | mm B x D | mm C | N. | g | |
7435.35.4.046 | 35 | 61 | 47 x 10 | 20 | 2 | 635 | |
7435.40.4.046 | 40 | 66 | 47 x 10 | 20 | 2 | 665 | |
7435.45.4.046 | 45 | 71 | 47 x 10 | 20 | 2 | 700 | |
7435.50.4.046 | 50 | 76 | 47 x 10 | 20 | 2 | 730 | |
7435.60.4.046 | 60 | 86 | 47 x 10 | 20 | 2 | 790 | |
7435.70.4.046 | 70 | 96 | 47 x 10 | 20 | 2 | 835 |
Scrocco standard
Scrocco standard (per la massima tenuta di chiusura)
Scrocco biconico (per maggiore facilità d'installazione)
Fori passanti a norma DIN per rosette di sicurezza.










7435.20.2.046